Collaboration Proposals
Naviga fra le 281 proposte di collaborazione promosse da Enterprise Europe Network, la rete mondiale dei centri di supporto all’innovazione, internazionalizzazione e competitività.
E’ un servizio in collaborazione con il progetto Simpler.
Visualizzati 9 elementi di 281 totali
Pagina 28 di 32
Un team di ricerca spagnolo ha sviluppato un dispositivo modulare avanzato progettato per misurare la permeabilità delle membrane biologiche e industriali ai principali gas (O₂, CO₂) e al vapore acqueo (H₂O g). Questo sistema versatile e personalizzabile offre una soluzione unica per diverse applicazioni, tra cui la ricerca sulla fisiologia delle piante, l'ottimizzazione del post-raccolta e i test sui materiali di imballaggio.
ID EEN: TOES20250210017
Un team di ricerca spagnolo ha sviluppato un sistema di veicoli aerei senza pilota (UAV) con capacità di decollo e atterraggio verticale (VTOL), progettato specificamente per le operazioni su piattaforme in movimento, come le navi marittime. La tecnologia consente il dispiegamento e il recupero dell'UAV senza bisogno di ulteriori infrastrutture a terra, rendendolo ideale per il monitoraggio ambientale, la sorveglianza marittima e le operazioni offshore.
ID EEN: TOES20250210020
Un centro di ricerca ICT spagnolo offre un sistema di ispezione che applica la visione artificiale al controllo qualità. Una soluzione facile da integrare nei processi di produzione, che cattura le immagini di un oggetto in caduta libera per rilevare eventuali deviazioni attraverso test di superficie, volumetrici e metrologici. Il sistema classifica anche una serie di oggetti in attesi e non attesi. Cercano partner per stabilire un accordo di licenza, di produzione o commerciale.
ID EEN: TOES20250218011
Università spagnola offre tecnologia di depurazione a 4 stadi senza consumo elettrico, ideale per comuni <500 abitanti. L'impianto ibrido anaerobico riduce produzione di fanghi (-70% vs sistemi aerobici) e genera biogas riutilizzabile. Cercano partner per accordi commerciali con assistenza tecnica o R&D. Vantaggi: costi ridotti, adattabilità morfologica, conformità a SDG 6 (Acqua pulita) e 7 (Energia rinnovabile). Applicabile in UE e paesi in via di sviluppo.
ID EEN: TOES20250220019
Università spagnola offre tecnologia per estrazione di polifenoli e flavonoidi da cisto (Cistus ladanifer) mediante acqua in condizioni subcritiche, sostituendo solventi organici. Rivolta a industrie cosmetiche, farmaceutiche e alimentari, la metodologia elimina fasi di purificazione e riduce tempi da ore a minuti. Collaborazione richiesta tramite accordi commerciali con assistenza tecnica o cooperazione R&D. Tecnologia brevettata integra un sistema "bypass" che ottimizza parametri operativi.
ID EEN: TOES20250224007
Startup tedesca (spin-off TU Darmstadt) cerca partner per incrementare resistenza all'abrasione umida di un materiale vegano derivato da alghe rosse. Soluzioni ricercate: coating o additivi bio-based, privi di petrolio e conformi a criteri di biodegradabilità. Collaborazione prevista tramite accordo commerciale con supporto tecnico o cooperazione R&D. Il materiale, utilizzabile in calzaturiero e accessori, unisce basse emissioni di CO2 a riciclabilità avanzata.
ID EEN: TRDE20250220003
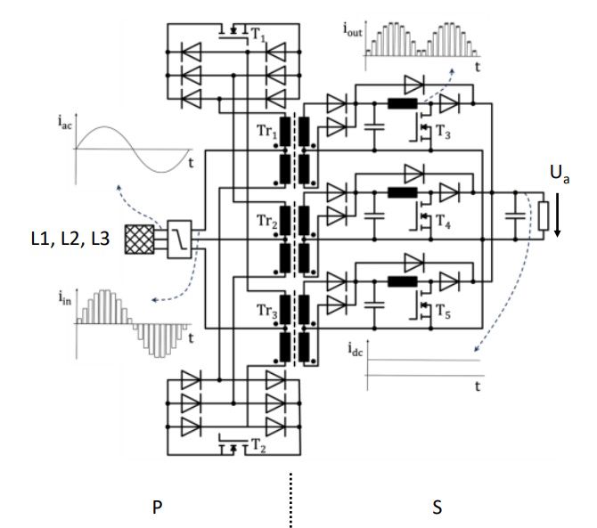
Università tedesca ha realizzato un raddrizzatore a impulsi con solo due interruttori a semiconduttore e una tensione di uscita DC isolata elettricamente. Il livello della tensione di uscita DC è liberamente selezionabile, il progetto è economico e robusto. L'università offre un contratto di licenza e/o un accordo di cooperazione tecnologica.
ID EEN: TODE20250214017
Startup tedesca cerca partner produttivi per playmat educativo con sensori a attivazione tattile. Collaborazione richiesta per: 1) stampaggio a iniezione housing in plastica con componenti elettronici (ESP32, altoparlanti); 2) saldatura HF su materiale TPE con integrazione PCB e wiring. Requisiti chiave: conformità CE/REACH, materiali atossici e resistenza all'impatto. Partnership tramite accordo commerciale con assistenza tecnica per prototipazione e produzione piccole serie (50-100 unità).
ID EEN: TRDE20250220021
Un consorzio svizzero-francese, composto da una startup specializzata in soluzioni per ambienti critici, un'azienda di crittografia dati e una joint venture aerospaziale, cerca un partner industriale per co-progettare una piattaforma blockchain (Ethereum VM) con crittografia omomorfica. La soluzione, sviluppata nell'ambito del bando Horizon Europe EIC Pathfinder Open, ottimizza l'accesso alle capacità produttive e si rivolge in modo particolare a grandi imprese manifatturiere del settore difesa
ID EEN: RDRCH20250304001
